首页
welcome赢乐介绍
新闻中心
welcome赢乐概况
服务理念
售后服务
联系我们
产品中心
jtgk.png

产品中心

X43W-1.0T二通全铜旋塞阀

您的位置:阀门 - 旋塞阀 - X43W-1.0T二通全铜旋塞阀 更新时间:2026-01-12 02:01:12
X43W-1.0T二通全铜旋塞阀
    • 质量安全:压力、材质、密封等全方位检测确保质量过关!
    • 价格比较:在相同品质的情况下,厂里直销,更具有优势!
    • 交货快捷:常规产品现货供应,生产加工销售一条龙服务!
      上海凯利科阀门致力于高品质阀门的设计、研发、生产销售服务于一体的大型阀门企业,科技创新,永不止步,与您携手共创辉煌...

    • 产品描述
    • 在线询价
    • 技术咨询
    X43W-1.0T二通全铜旋塞阀X43W-1.0T二通全铜旋塞阀

    X43W-1.0T二通全铜旋塞阀是关闭件或柱塞形的旋转阀,通过旋转90度使阀塞上的通道口与阀体上的通道口相通或分开,实现开启或关闭的一种阀门。旋塞阀广泛地应用于油田开采、输送和精练设备中,同时也广泛用于石油化工、化工、煤气、天然气、液化石油气、暖通行业以及一般工业中。

    产品名称: 二通全铜旋塞阀 产品型号: X43W-1.0T
    公称通径: DN15~DN300 结构形式: 圆柱形或圆锥形
    公称压力: 1.0MPa 连接方式: 法兰、内螺纹
    适用温度: -29ºC~+200ºC 驱动方式: 手动
    阀体材质: 黄铜 制造标准: 国标GB、德国DIN、美国API、ANSI
    适用介质: 水、油、蒸汽等 生产厂家: welcome赢乐

    产品说明

    X43W-1.0T二通全铜旋塞阀是关闭件或柱塞形的旋转阀,通过旋转90度使阀塞上的通道口与阀体上的通道口相通或分开,实现开启或关闭的一种阀门。旋塞阀广泛地应用于油田开采、输送和精练设备中,同时也广泛用于石油化工、化工、煤气、天然气、液化石油气、暖通行业以及一般工业中。

    工作原理

    它的阀塞的形状可成圆柱形或圆锥形。在圆柱形阀塞中,通道一般成矩形;而在锥形阀塞中,通道成梯形。这些形状使旋塞阀的结构变得轻巧。最适于作为切断和接通介质以及分流适用,但是依据适用的性质和密封面的耐冲蚀性,有时也可用于节流。

    产品特点

    1、旋塞阀用于经常操作,启闭迅速、轻便。
    2、旋塞阀流体阻力小。
    3、旋塞阀结构简单,相对体积小,重量轻,便于维修。
    4、密封性能好。
    5、不受安装方向的限制,介质的流向可任意。
    6、无振动,噪声小。

    性能规范

    型号 公称压力
    PN(MPa)
    试验压力PS(MPa) 适用介质 工作温度(℃)
    壳体 密封
    X43W-1.0T 1.0 1.5 1.1 水、蒸汽、油品 ≤100
    X13W-1.0T 1.0 1.5 1.1 水、蒸汽、油品 ≤100

    主要材料

    零件名称 阀体 塞子 填料压盖 填料
    X43W-1.0T 铸铜 铸铜 铸铜 油浸石棉盘根
    柔性石墨
    X13W-1.0T 铸铜 铸铜 铸铜

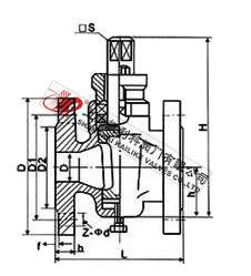
    外形结构图

     

    主要外形尺寸

    型号 公称通径
    DN(mm)
    尺寸(mm)
    L D  
    D1
    D2 f b z-φd □s h H
    X43W-1.0T 15 80 95 65 45 2 14 4-φ14 14 26 99
    20 90 105 75 55 2 16 4-φ14 14 34 124
    25 110 115 85 65 2 16 4-φ14 17 38 133
    32 115 135 100 78 2 18 4-φ18 18 45 152
    40 150 145 110 85 3 18 4-φ18 26 55 212
    50 170 160 125 100 3 20 4-φ18 28 74 260
    65 220 180 145 120 3 20 4-φ18 32 82 295
    80 250 195 160 135 3 22 4-φ18 40 95 327
    100 300 215 180 155 3 26 8-φ18 45 135 425
    125 350 245 210 185 3 24 8-φ18 54 154 482
    150 400 280 240 210 3 24 8-φ23 62 172 512
    200 450 335 295 265 3 24 8-φ23 75 195 605
    250 530 390 350 320 3 28 12-φ23 85 230 660
    300 580 440 400 368 4 30 12-φ23 100 263 760

    外形结构图

     

    主要外形尺寸

    型号 公称通径
    DN(mm)
    管螺纹
    G
    尺寸(mm)
    L □S □S1 h2 H
    X13W-1.0T 15 1/2 85 30 12 26 99
    20 3/4 90 36 16 34 124
    25 1 110 46 18 38 133
    32 11/4 130 55 18 45 152
    40 11/2 150 60 26 55 212
    50 2 170 75 28 74 260
    65 21/2 220 90 32 82 295
    80 3 250 105 36 125 327
    100 4 300 140 46 135 425
     
     

    声明:【X43W-1.0T二通全铜旋塞阀】规格型号、结构尺寸由welcome赢乐提供,如何选择适用的X43W-1.0T二通全铜旋塞阀产品,使之在工艺控制中安全可靠、经济适用,可致电我司销售部门及技术部门,我们将在最短的时间内为您解答!

    

    Copyright ©2011-2023 welcome赢乐,版权所有。 沪ICP备11046016号-29 网站地图

    销售电话:021-31001158

    手机号码:13816746668 陈国辉/经理

    电子邮件:klkvalves@126.com@126.com

    主营产品:球阀,闸阀,蝶阀,截止阀,止回阀,调节阀

    本周热门:不锈钢阻火器全天候呼吸阀气动球阀气动蝶阀气动刀闸阀气动调节阀电动球阀电动蝶阀电动刀闸阀电动调节阀不锈钢球阀不锈钢闸阀不锈钢截止阀不锈钢止回阀不锈钢电磁阀高压电磁阀高压球阀波纹管截止阀

    官方网址:www.fm058.com