Q41F德标法兰球阀
Q41F德标法兰球阀用于截断或接通管路中的介质,选用不同的材质,可分别适用于水、蒸汽、油品、液化气、天然气、煤气、硝酸、醋酸、氧化性介质、尿素等多种介质。
|
产品名称: |
德标法兰球阀 |
产品型号: |
Q41F |
|
公称通径: |
DN15~DN250 |
结构形式: |
球形 |
|
公称压力: |
10K-20K |
连接方式: |
法兰 |
|
适用温度: |
-20~+100℃~+550℃ |
驱动方式: |
手动、蜗轮、气动、电动 |
|
阀体材质: |
铸钢、不锈钢 |
制造标准: |
国标GB、德国DIN、美国API、ANSI |
|
适用介质: |
水、蒸汽、燃气、气体及腐蚀性液体等 |
生产厂家: |
welcome赢乐 |
产品说明
Q41F德标法兰球阀用于截断或接通管路中的介质,选用不同的材质,可分别适用于水、蒸汽、油品、液化气、天然气、煤气、硝酸、醋酸、氧化性介质、尿素等多种介质。德标球阀具有很小的转动力矩就能关闭严密。完全平等的阀体内腔为介质提供了阻力很小、直通的流道。德标球阀的主要特点是本身结构紧凑,易于操作和维修,适用于水、溶剂、酸和天然气等一般工作介质,而且还适用于工作条件恶劣的介质,如氧气过氧化氢、甲烷和乙烯等。
产品标准
设计标准Design: DIN 3357 EN 12516-1
壁厚标准Wall Thickness: ASME B16.34 EN 12516-1
防火标准Fire Safe: API 307 ISO 10497
结构长度Face to Face: DIN 3202
法兰标准End Flange: DIN EN 1092-1
检测标准/Inspection & Testing: DIN 3230 EN 12266
产品特点
阀杆带有防静电设置 Ante-Static Devices For Ball-Stem-Body
阀杆带有防脱出装置设计 Blow-out Proof stem
钢球球槽上有泄压孔设计 Pressure Balance Hole in Ball Slot
采用Iso 5211 支架安装执行器平台设计
Built in ISO 5211 Bracket Mount For Easy Automation
主要材料表
|
名称 |
材质 |
|
ANSI/JIS/DIN |
ANSI/JIS/DIN |
ANSI/JIS/DIN |
|
阀体 |
A351-CF8M/SCS14A/1.4408 |
A351-CF8/SCS13A/1.4308 |
A216-WCB/SCPH2/1.0619 |
|
阀盖 |
A351-CF8M/SCS14A/1.4408 |
A351-CF8/SCS13A/1.4308 |
A216-WCB/SCPH2/1.0619 |
|
球 |
SUS316 |
SUS304 |
|
六角螺母 |
A194-8 |
|
弹性垫片 |
SUS304 |
|
密封圈 |
PTFE/VITON |
|
阀座 |
PTFE/RPTFE/PPL |
|
阀杆 |
SUS316 |
SUS304 |
|
O型圈 |
FKM(VITON) |
|
止推垫 |
PTFE/RPTFE |
|
填料 |
PTFE/GRAFOIL |
|
蝶簧 |
SUS304 |
|
阀杆螺母 |
A194-8 |
|
填料压盖 |
SUS304 |
|
手柄 |
SUS201 |
|
定位杆 |
SUS304 |
|
内六角圆柱头螺钉 |
SUS304 |
|
六角螺母 |
A194-8 |
|
双头螺栓 |
A193-B8 |
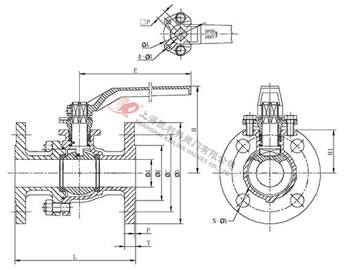
外形结构图
外形尺寸表
|
Size |
PN |
d |
L |
R |
C |
D |
H |
H1 |
E |
F |
T |
□P |
ø A |
ØB |
N |
ØX |
ISO 5211 |
|
DN15 |
10-40 |
15 |
115 |
45 |
65 |
95 |
78 |
34 |
150 |
2 |
14 |
11 |
42 |
4 |
4 |
14 |
F04 |
|
DN20 |
10-40 |
20 |
120 |
58 |
75 |
105 |
80 |
35 |
150 |
2 |
16 |
11 |
42 |
4 |
4 |
14 |
F04 |
|
DN25 |
10-40 |
25 |
125 |
68 |
85 |
115 |
88 |
45 |
150 |
2 |
16 |
11 |
42 |
4 |
4 |
14 |
F04 |
|
DN32 |
10-40 |
32 |
130 |
78 |
100 |
140 |
100 |
50 |
170 |
2 |
16 |
14 |
50 |
5 |
4 |
18 |
F05 |
|
DN40 |
10-40 |
38 |
140 |
88 |
110 |
150 |
122 |
60 |
230 |
3 |
16 |
17 |
70 |
6 |
4 |
18 |
F07 |
|
DN50 |
10-40 |
50 |
150 |
102 |
125 |
165 |
130 |
68 |
230 |
3 |
18 |
17 |
70 |
6 |
4 |
18 |
F07 |
|
DN65 |
10-16 |
65 |
170 |
122 |
145 |
185 |
148 |
86 |
230 |
3 |
18 |
17 |
70 |
6 |
4 |
18 |
F07 |
|
DN80 |
10-16 |
78 |
180 |
138 |
160 |
200 |
167 |
96 |
305 |
3 |
20 |
22 |
102 |
8 |
8 |
18 |
F10 |
|
DN100 |
10-16 |
100 |
190 |
158 |
180 |
220 |
188 |
117 |
305 |
3 |
20 |
22 |
102 |
8 |
8 |
18 |
F10 |
|
DN125 |
10-16 |
125 |
325 |
188 |
210 |
250 |
246 |
141 |
500 |
3 |
22 |
22 |
125 |
10 |
8 |
18 |
F12 |
|
DN150 |
10-16 |
150 |
350 |
212 |
240 |
285 |
288 |
172 |
650 |
3 |
22 |
27 |
125 |
10 |
8 |
22 |
F12 |
|
DN200 |
10-16 |
200 |
400 |
268 |
295 |
340 |
329 |
213 |
850 |
3 |
24 |
27 |
125 |
10 |
12 |
22 |
F12 |
|
DN250 |
10-16 |
250 |
450 |
320 |
355 |
405 |
396 |
255 |
1400 |
3 |
26 |
36 |
140 |
14 |
12 |
26 |
F14 |
声明:【Q41F德标法兰球阀】规格型号、结构尺寸由welcome赢乐提供,如何选择适用的Q41F德标法兰球阀产品,使之在工艺控制中安全可靠、经济适用,可致电我司销售部门及技术部门,我们将在最短的时间内为您解答! |