

LPG-法兰U型过滤器
LPG-法兰U型过滤器属于管道过滤器系列,安装在管道上能除去流体中的较大固体杂质,使机器设备、仪表能正常工作和运转,达到稳定工艺过程,保障安全生产的作用。法兰U型过滤器适用于化工、食品、饮料、水处理行业进行粗精过滤大道绿色产品标准。我公司所生产的法兰U型过滤器能根据客户具体要求定制各种过滤器。
| 产品名称: | 法兰U型过滤器 | 产品型号: | LPG |
| 公称通径: | DN15~DN200 | 结构形式: | U型 |
| 工作压力: | 1.6MPa~2.5MPa | 连接方式: | 法兰 |
| 适用温度: | -29ºC~+350ºC | 功能作用: | 过滤管道中的杂质 |
| 阀体材质: | 铸钢、不锈钢 | 制造标准: | 国标GB、德国DIN、美国API、ANSI |
| 适用介质: | 水、油品、蒸汽、液体、气体等 | 生产厂家: | welcome赢乐 |
| 公称压力PN(MPa) | 工作温度℃ | 滤网目数 | 适用介质 |
| 1.6 | 350 | 20~150 | 蒸汽、空气、水、油、 |
| 2.5 | 350 |
| 零件名称 | 材料 |
| 阀体 | 碳钢、不锈钢 |
| 滤网盖 | 碳钢、不锈钢 |
| 滤芯网 | 不锈钢 |
| 垫片 | 柔性石墨 |
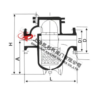
| DN | L | A | H | D | D1 | N-n | 一般网目数 | 特殊网目数 |
工作压力 MPa |
|
|
JB78-59 JB79-59 |
GB2555-81 | |||||||||
| 10 | 150 | 80 | 125 | 90 | 90 | 60 | 4~14 |
3.9/mm (100目) |
2.4/mm 60目 |
1.6 |
| 15 | 150 | 80 | 125 | 95 | 95 | 65 | ||||
| 20 | 180 | 100 | 153 | 105 | 105 | 75 |
2.4/mm 60目 |
1.6/mm 40目 |
||
| 25 | 180 | 100 | 153 | 115 | 115 | 85 | ||||
| 40 | 300 | 155 | 304 | 145 | 150 | 110 | 4~18 | |||
| 50 | 300 | 155 | 304 | 160 | 165 | 125 | ||||
| 65 | 340 | 220 | 380 | 180 | 185 | 145 | ||||
| 80 | 400 | 250 | 420 | 195 | 200 | 160 | 8~18 |
1.6/mm 40目 |
0.8/mm 20目 |
|
| 100 | 500 | 295 | 502 | 215 | 220 | 180 | ||||
| 150 | 600 | 335 | 650 | 280 | 285 | 240 | 8~23 | |||
| 200 | 786 | 395 | 770 | 335 | 340 | 295 | 12~23 | |||
| 10 | 165 | 77 | 127 | 100 | 100 | 70 | 4~14 |
3.9/mm 100目 |
2.4/mm 60目 |
6.4 |
| 15 | 165 | 79 | 131 | 105 | 105 | 75 | ||||
| 20 | 200 | 91 | 154 | 125 | 130 | 90 | 4~18 |
2.4/mm 60目 |
1.6/mm 40目 |
|
| 25 | 210 | 96 | 159 | 135 | 140 | 100 | ||||
| 40 | 320 | 155 | 308 | 165 | 170 | 125 |
4~23 8~23 |
|||
| 50 | 320 | 155 | 310 | 175 | 180 | 135 |
6.4 4.0 |
|||
| 80 | 420 | 250 | 430 | 210 | 215 | 170 |
1.6/mm 40目 |
0.8/mm 20目 |
||
| 100 | 525 | 295 | 510 | 250 | 250 | 200 | 8~25 | |||
| 150 | 600 | 335 | 650 | 300 | 300 | 250 | 8~26 | 2.5 | ||
| 200 | 786 | 395 | 780 | 360 | 360 | 310 | 12~26 | |||
声明:【LPG-法兰U型过滤器】规格型号、结构尺寸由welcome赢乐提供,如何选择适用的LPG-法兰U型过滤器产品,使之在工艺控制中安全可靠、经济适用,可致电我司销售部门及技术部门,我们将在最短的时间内为您解答! |