



X43W,X13W二通旋塞阀
X43W、X13W二通旋塞阀是关闭件或柱塞形的旋转阀,通过旋转90度使阀塞上的通道口与阀体上的通道口相通或分开,实现开启或关闭的一种阀门。旋塞阀广泛地应用于油田开采、输送和精练设备中,同时也广泛用于石油化工、化工、煤气、天然气、液化石油气、暖通行业以及一般工业中。
| 产品名称: | 二通旋塞阀 | 产品型号: | X43W、X13W |
| 公称通径: | DN15~DN300 | 结构形式: | 圆柱形或圆锥形 |
| 公称压力: | 1.0MPa | 连接方式: | 法兰、内螺纹 |
| 适用温度: | -29ºC~+200ºC | 驱动方式: | 手动 |
| 阀体材质: | 铸铁、铸钢、不锈钢、黄铜 | 制造标准: | 国标GB、德国DIN、美国API、ANSI |
| 适用介质: | 水、油、蒸汽等 | 生产厂家: | welcome赢乐 |
| 型号 |
公称压力 PN(MPa) |
试验压力PS(MPa) | 适用介质 | 工作温度(℃) | |
| 壳体 | 密封 | ||||
| X43W-1.0 | 1.0 | 1.5 | 1.1 | 水、蒸汽、油品 | ≤100 |
| X13W-1.0 | 1.0 | 1.5 | 1.1 | 水、蒸汽、油品 | ≤100 |
| 零件名称 | 阀体 | 塞子 | 填料压盖 | 填料 |
| X43W-1.0 | 铜、铸铁、铸钢、不锈钢 | 铜、铸铁、铸钢、不锈钢 | 铜、铸铁、铸钢、不锈钢 |
油浸石棉盘根 柔性石墨 |
| X13W-1.0 | 铜、铸铁、铸钢、不锈钢 | 铜、铸铁、铸钢、不锈钢 | 铜、铸铁、铸钢、不锈钢 |
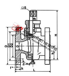
| 型号 |
公称通径 DN(mm) |
尺寸(mm) | |||||||||
| L | D |
D1 |
D2 | f | b | z-φd | □s | h | H | ||
| X43W-1.0 | 15 | 80 | 95 | 65 | 45 | 2 | 14 | 4-φ14 | 14 | 26 | 99 |
| 20 | 90 | 105 | 75 | 55 | 2 | 16 | 4-φ14 | 14 | 34 | 124 | |
| 25 | 110 | 115 | 85 | 65 | 2 | 16 | 4-φ14 | 17 | 38 | 133 | |
| 32 | 115 | 135 | 100 | 78 | 2 | 18 | 4-φ18 | 18 | 45 | 152 | |
| 40 | 150 | 145 | 110 | 85 | 3 | 18 | 4-φ18 | 26 | 55 | 212 | |
| 50 | 170 | 160 | 125 | 100 | 3 | 20 | 4-φ18 | 28 | 74 | 260 | |
| 65 | 220 | 180 | 145 | 120 | 3 | 20 | 4-φ18 | 32 | 82 | 295 | |
| 80 | 250 | 195 | 160 | 135 | 3 | 22 | 4-φ18 | 40 | 95 | 327 | |
| 100 | 300 | 215 | 180 | 155 | 3 | 26 | 8-φ18 | 45 | 135 | 425 | |
| 125 | 350 | 245 | 210 | 185 | 3 | 24 | 8-φ18 | 54 | 154 | 482 | |
| 150 | 400 | 280 | 240 | 210 | 3 | 24 | 8-φ23 | 62 | 172 | 512 | |
| 200 | 450 | 335 | 295 | 265 | 3 | 24 | 8-φ23 | 75 | 195 | 605 | |
| 250 | 530 | 390 | 350 | 320 | 3 | 28 | 12-φ23 | 85 | 230 | 660 | |
| 300 | 580 | 440 | 400 | 368 | 4 | 30 | 12-φ23 | 100 | 263 | 760 | |
| 型号 |
公称通径 DN(mm) |
管螺纹 G |
尺寸(mm) | ||||
| L | □S | □S1 | h2 | H | |||
| X13W-1.0 | 15 | 1/2 | 85 | 30 | 12 | 26 | 99 |
| 20 | 3/4 | 90 | 36 | 16 | 34 | 124 | |
| 25 | 1 | 110 | 46 | 18 | 38 | 133 | |
| 32 | 11/4 | 130 | 55 | 18 | 45 | 152 | |
| 40 | 11/2 | 150 | 60 | 26 | 55 | 212 | |
| 50 | 2 | 170 | 75 | 28 | 74 | 260 | |
| 65 | 21/2 | 220 | 90 | 32 | 82 | 295 | |
| 80 | 3 | 250 | 105 | 36 | 125 | 327 | |
| 100 | 4 | 300 | 140 | 46 | 135 | 425 | |
声明:【X43W,X13W二通旋塞阀】规格型号、结构尺寸由welcome赢乐提供,如何选择适用的X43W,X13W二通旋塞阀产品,使之在工艺控制中安全可靠、经济适用,可致电我司销售部门及技术部门,我们将在最短的时间内为您解答! |